LA ELECTRONICA DE JOSECHU

  • Iniciador del tema Iniciador del tema josechu
  • Fecha de inicio Fecha de inicio
Hola a todos:
Después de leer la propuésta de Josechu, y viéndo la repercución que a creádo, no me quéda mas remédio que liárme yo también jaja.
Si me lo permíten haría la placa con mosfet para poder tener un modulo de potencia.
Un saludo a todos
 
Hola a todos….

Después de haber leído todo lo expuesto y como veo el gran interés que se desprende de vuestras respuestas.

Mi aportación será: copiaros todo lo que hagáis y que le sirva para TRABUQUITO………..eso si, prometo copiarlo fielmente y no modificar nada(que luego no funciona). :twisted:

Para que quede bien clarito seré: EL TITO GORRON que hay en toda buena familia. :mrgreen: :mrgreen:

Bueno para no ser malo del todo, me pido los XBEE. :oops:

Saludo
 
Hola amigos:
Me he quedado gratamente sorprendido por vuestro interés en la placa Amiga.

Muchas gracias,
Muchas gracias a vosotros, ya que me alegra mucho saber que os gusta,
Muchas gracias a vosotros, por vuestro interés,
Muchas gracias a vosotros, por querer participar y colaborar en este proyecto,
Muchas gracias, a vosotros, por querer esforzaros en hacer algo en común,

Ya que sin vuestra ayuda, sin vuestro calor, sin vuestros ánimos.
Lo mismo, todo esto no seria posible.

Muchas gracias de todo corazón a todos vosotros.
 
Significar, que todas las pruebas o comprobaciones, que hasta el momento he podido realizar con esta Placa Amiga Multipic, han sido positivas y satisfactorias.

No obstante, si alguien encuentra un fallo, o ve, un posible error,
le agradecería mucho me lo comunicase, para corregirlo inmediatamente. Gracias.
 
Respecto a los GORRONES, o malos piratas.
Bueno haber si lo puedo explicar bien, sin que se me entienda equivocadamente.

No suelo ser una persona que le guste presumir, ni nada de eso, pero si puedo asegurar, que a lo largo de mi vida, han pasado por mis manos muchas placas entrenadoras de Pic, de las más diversas indole, formas, tamaños o propuestas.

La placa Amiga Multipic, que presento en exclusiva solo para los amigos de http://www.modelismonaval.com" onclick="window.open(this.href);return false; no deja, de ser una de ellas, si bien tras muchas horas de estudio y dedicación, he querido recoger en la misma, una serie de características, que la hacen única en su género.
Posiblemente y un poco mas adelante, comprobarán las grandes posibilidades que presenta dicha placa, al ser un circuito abierto, claro y sencillo. Por lo que preveo o intuyo, que será muy codiciada.

Por tal motivo y cuando se dé, un poco mas a conocer, como todas las cosas buenas, esta placa puede ser susceptible de que la copien, y no solo los de este foro, sino con toda seguridad de otros foros y muchos sitios mas.

Ante esta situación caben dos puntos de vista,

1.- Ponerlo difícil para que no puedan hacerlo, inventando cualquier cosa anticopy.
2.- Alegrarme porque sean muchos los que lo hagan.

Bien pues opto, por la segunda opción,
Todavía no he publicado el esquema, o el fotolito de la placa Amiga Multipic. Y no tengo ningún inconveniente en facilitárselo a todos aquellos que lo quieran.

Si bien, tenéis que solicitármelo a través del E-Mail novatojodido@hotmail.es donde con mucho gusto os remitiré el esquema y el dibujo del fotolito a la dirección que me indiquéis, para que podáis construirla.

Los únicos requisitos necesarios, son: estar registrado en este foro, y querer contribuir, con algún proyecto, o cualquier cosa que se pueda hacer o realizar con la Amiga Multipic, colaborando así de alguna forma con los demás.

No es necesario que poseas grandes conocimientos de electrónica,
Simplemente, que te sepas defender un poco con el soldador y que igualmente sepas distinguir o diferenciar un poco o algo los componentes electrónicos.
 
Bueno voy a seguir comentando y demostrando, algunas de las posibilidades de la Amiga Multipic.

En unos de las apartados anteriores, dije que era posible conectar el receptor de nuestra emisora a la Amiga Multipic.

explico como:
con un trozo de cable de tres hilos, de cualquier servo viejo o estropeado, que ya no utilicemos y que conserve aún el conector hembra que normalmente conectamos al receptor.

preparamos un trozo de tres pines machos y otros tantos trozos de macarron termorectractil.
 

Archivos adjuntos

  • SAM_0480 [1600x1200].JPG
    SAM_0480 [1600x1200].JPG
    262,6 KB · Visitas: 31
preparamos los hilos,
metemos los tres macarrones termorectractil
y soldamos los tres hilos en la posicion indicada en la foto.

el hilo blanco en una punta.
el hilo rojo en el centro.
el hilo negro en la otra punta.
 

Archivos adjuntos

  • SAM_0481 [1600x1200].JPG
    SAM_0481 [1600x1200].JPG
    275,9 KB · Visitas: 30
nos aseguramos que los tres hilos estan en la posición correcta,
bajamos los tres trozitos del termorectractil y le damos calor con mucho cuidado.

nos deberia de quedar como en la foto.

con este adaptador o prolongador, ya podremos conectar un canal de nuestra emisora a la placa amiga, teniendo el debido cuidado de respetar la polarización correcta de los tres hilos con los conectores de los puertos de salida de la placa.
 

Archivos adjuntos

  • SAM_0482 [1600x1200].JPG
    SAM_0482 [1600x1200].JPG
    292,9 KB · Visitas: 29
en este dibujo se puede apreciar mejor, los diferentes conectores y la nomenclatura de los puertos de entradas o salidas, así como la numeración correcpondiente a cada uno.
 

Archivos adjuntos

  • Conectores y puertos de entrada salidas Amiga Multipic.JPG
    Conectores y puertos de entrada salidas Amiga Multipic.JPG
    46,1 KB · Visitas: 28
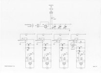
Bien pues como lo prometido es deuda, esta es mi propuesta de fuente de alimentación.
Si alguien quiere alguna aclaración o ve algo que no le guste, que me lo diga. Gracias.
P.D. Si quiere alguien el fotolito que me lo diga.
 

Archivos adjuntos

  • esquema 001 [iPod Photo].jpg
    esquema 001 [iPod Photo].jpg
    48,9 KB · Visitas: 15
Okey Amigo Araola.

He estado observando el esquema y lo veo muy bien y apropiado, muchas gracias por tu colaboración y ayuda.

Ya tenemos fuente de alimentación, y no solo eso sino que muchos compañeros, aunque no vallan ha realizar la placa Amiga Multipic, y tampoco hallan tenido la suerte de tener una caja de esas de los ordenadores con diferentes tensiones, ahora si quieren pueden disponer de la tuya.

La verdad, es que da gusto, ver como los buenos colegas, aportan sus granitos de arena.

Y mucho más, cuando son cosas muy útiles como estas.
 
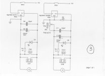
Amigo araola ,el esquema se ve muy pequeño y no se distingue los componentes ni valores.

Si puedes haber si lo subes de nuevo con mayor tamaño.

Gracias
 
Hola carptroya. Tienes razon, no se ve un carallo con perdón.
Lo partí en tres, a ver si ahora se puede ver, si no me dices tu correo y te lo mando.
Un saludo.
 

Archivos adjuntos

  • ampliacion 1 001 [iPod Photo].jpg
    ampliacion 1 001 [iPod Photo].jpg
    49,2 KB · Visitas: 43
A ver ahora.
 

Archivos adjuntos

  • ampliacion 2 001 [iPod Photo].jpg
    ampliacion 2 001 [iPod Photo].jpg
    59,4 KB · Visitas: 42
  • ampliacion 3 001 [iPod Photo].jpg
    ampliacion 3 001 [iPod Photo].jpg
    58,3 KB · Visitas: 42
bueno..........yo no digo ná.............

pero mucho aguelo, y lo mismo resulta que alguno se tiene que poner gafas de culo de botella.......y to............

yo sigo diciendo, que lo veo muy bién. y ahora mejor.

una pregunta el diodo marcado como D1, ¿para que es?.

saludos
 
Amigo araola , ahora si se ve bien………….. Bueno algunas personas mayores creo que NO lo ven, ni estando
delante de sus narices ( está claro que me refiero al agueloooooooooo).

Aguelooooooooo piensaaaaaaa diodo conducen en una sola dirección.

Fuente alimentación 14 v.

Batería de plomo 12 V.

Para qué sirve el diodo D1 ¿??.

jajajajajaj
 
Hola a todos:
Yo también me estoy poniendo viejo jaja
En las primeras imagenes no veia nada.
Araola esta muy buena.
Desde ya muchas gracias.
Un saludo a todos y la placa con mosfet ya muy pronto la publico.
 
Hola a todooooooooooooooooooooooooossssss,

Me pido los stepper motors o motores pap (paso a paso)

Por cierto, qué susto más grande cuando he visto que uno de los ultimos posts de "Electronica, microcontroladores" era del innombrable. Por un momento de pánico mal controlado, pensé en el famoso dicho "hace un día precioso, seguro que viene alguien y lo jode"; qué alivio cuando he visto que era de otro hilo.

Saludooooooooooooosssss, especialmente al Hefe y al resto de Hefe Team.

Para evitar malentendidos, aquí todo el que venga a COLABORAR y APORTAR lo que buenamente pueda/sepa (aunque sólo sea su amistad y buen rollo), es BIENVENIDO. Nos sobran primadonnas.

Montañés
 
Montañés, es mi obligación pedirte públicamente disculpas por mi comportamiento para con tigo, solo puedo decir en mi descargo que te interprete mal. Por lo tanto suplico tu perdón y como se suele decir el tiempo pone a cada uno en su lugar.
 
Buen rollo que esto promete y acordaros del peludo. No quiero ser gafe que en el reino de ESPAÑA no se ponia el sol y mira ahora como vamos. Un Saludo.
 
Atrás
Arriba