gerardo navarro
Leyenda
Hola amigos, aquí de nuevo dando lora, estoy armando un variador e inversor de giro para mi barco hidria, ya tan solo esperando por este ultimo componente para hacer su primera prueba en el charco….. Como no soy muy diestro, mejor dicho no llego a aprendiz de electrónica, estuve husmeando por diferentes partes del ciberespacio, recopilando información, que pudiese usar y que cuyos componentes estuviesen a mi alcance…
Hubieron dos trabajos en un principio en los cuales me base que consistían en hacer una resistencia bobinada, para poder hacerla había que colocar un cable del motor a un borne de la batería, al otro borne de la batería, uniríamos una punta del alambre de resistencia, previamente estirado, y con el cable que quedaba por unir del motor, lo íbamos desplazando sobre la resistencia… que sucedía, apenas tocábamos la resistencia el motor giraba, y a medida que iba desplazándose y dejando atrás gran trayecto recorrido de resistencia, la marcha del motor se iba haciendo más débil, hasta que en cierto punto se detenía, pues luego de muchos ensayos y error, usando una batería de 6V, el tramo se hacía corto, hablemos de un metro y un poco mas de resistencia se detenía el motor, pero como necesito es colocar una batería de 12V, gaste los 3 metros de resistencia que tenia y aun el motor seguía encendido, por tal motivo me dije, no me es viable tanto de costo, como de elaboración, tener que usar un viaje de metros y enrollar a cada esquina, descarte este método de variador…
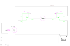
Volví al hilo de Axel Welle, donde está su variador súper sencillo y al cual se fusionaron varios aportes de los compañeros:
Axel weller
PPSAILOR
Aldguay
José-Argentina
Y por supuesto la intervención como siempre muy oportuna del Maestro Araola que hizo unos pequeños ajustes, muy necesarios para el buen funcionamiento……
Y luego te todo esto y unas cuantas quemadas y rabietas je je je, dejo un video de lo que es la parte eléctrica presentada, ya luego le instalare el servo y demás partes mecánicas que falten, mejor dicho como hacerle una cajita o cuerpo donde encaje todo y ocupe el menor espacio posible….
http://youtu.be/S7v3onpwaUg" onclick="window.open(this.href);return false;
nota: me fallo algo ya explicare en otra respuesta para no agrandar tanto esta pequeña introducción…
Hubieron dos trabajos en un principio en los cuales me base que consistían en hacer una resistencia bobinada, para poder hacerla había que colocar un cable del motor a un borne de la batería, al otro borne de la batería, uniríamos una punta del alambre de resistencia, previamente estirado, y con el cable que quedaba por unir del motor, lo íbamos desplazando sobre la resistencia… que sucedía, apenas tocábamos la resistencia el motor giraba, y a medida que iba desplazándose y dejando atrás gran trayecto recorrido de resistencia, la marcha del motor se iba haciendo más débil, hasta que en cierto punto se detenía, pues luego de muchos ensayos y error, usando una batería de 6V, el tramo se hacía corto, hablemos de un metro y un poco mas de resistencia se detenía el motor, pero como necesito es colocar una batería de 12V, gaste los 3 metros de resistencia que tenia y aun el motor seguía encendido, por tal motivo me dije, no me es viable tanto de costo, como de elaboración, tener que usar un viaje de metros y enrollar a cada esquina, descarte este método de variador…
Volví al hilo de Axel Welle, donde está su variador súper sencillo y al cual se fusionaron varios aportes de los compañeros:
Axel weller
PPSAILOR
Aldguay
José-Argentina
Y por supuesto la intervención como siempre muy oportuna del Maestro Araola que hizo unos pequeños ajustes, muy necesarios para el buen funcionamiento……
Y luego te todo esto y unas cuantas quemadas y rabietas je je je, dejo un video de lo que es la parte eléctrica presentada, ya luego le instalare el servo y demás partes mecánicas que falten, mejor dicho como hacerle una cajita o cuerpo donde encaje todo y ocupe el menor espacio posible….
http://youtu.be/S7v3onpwaUg" onclick="window.open(this.href);return false;
nota: me fallo algo ya explicare en otra respuesta para no agrandar tanto esta pequeña introducción…


